|
|
首頁-水環式真空泵型號-2BV型水環式真空泵2BV型水環式真空泵
一、2BV型水環式真空泵用途
2BV型水環式真空泵是用來抽吸空氣和其它無腐蝕性、不溶于水、不含有固體顆粒的氣體,以使在密閉容器中形成真空,吸入氣體中允許含少量液體。由于在2BV型水環式真空泵工作過程中氣體的壓縮過程是等溫的,所以在壓縮和抽吸易燃易爆氣體時,不易發生爆炸,所以其應用更加廣泛。2BV型水環式真空泵亦可用于大型水泵的引水。作為壓縮機使用時,其壓力最大至0. 26MPa(絕壓),可以完全取代往復式真空泵。
二、2BV型水環式真空泵使用范圍
·真空過濾(脫水)
造紙廠、鐵礦廠、造煤廠、鋁礦廠、化學制品廠、紙盒廠等。
·真空蒸餾
牛奶廠、食品廠、化工廠、紙漿廠。
·真空造型
塑料廠、橡膠廠、輪胎廠。
·真空浸漬
食品加工、木器加工、紡織廠、膠臺板廠。
·真空消毒
醫院、醫務室、實驗室、無菌室等。
·真空引水
自來水廠、排灌站。
·真空脫氣
瓶裝廠、水軟化、食品加工、食品包裝。
·真空輸送
卷煙廠、制罐廠。
三、2BV型水環式真空泵/壓縮機3D內部結構圖:
2BV2型水環式真空泵:
2BV5型水環式真空泵:
2BV6型水環式真空泵:
主要特點:
◆電機直聯設計,節省空間,易于安裝,維修方便;
◆全部采用國外進口機械密封作為標準配置;
◆全部設有汽蝕保護管接口,如在極限壓力下工作,開啟汽蝕保護管接口(或與分離器連接)可在最大限度保證吸氣效果的情況下消除汽蝕聲,并對泵進行保護;
◆2BV型銅葉輪強度高,經久耐用,并提高了泵的耐腐蝕性。如過流部件采用不銹鋼材質,可工作在更為苛刻的環境中;
◆獨特的柔性排氣口設計,不會產生過壓縮,確保了2BV在其性能范圍內效率最佳;
◆全部采用Y2系列電機,防護等級IP54、IP55(普通為IP44),絕緣等級為F級絕緣(普通為B級絕緣)
◆全部采用NTN或NSK進口軸承;
◆2BV型水環式真空泵可實現柔性密封件全部為聚四氟乙烯,從而可大大延長真空泵在苛刻工況下的使用壽命。
四、2BV型水環式真空泵工作原理
如圖(1)所示2BV型水環式真空泵葉輪3偏心地安裝在泵體之內,起動時向泵內注入一定高度的水,因此當葉輪3旋轉時,水受離心力的作用而在泵體內壁形成一旋轉水環1,水環下部內表面與輪毅相切,沿箭頭方向旋轉,在前半轉過程中,水環內表面逐漸與輪毅脫離,因此在葉輪葉片間與水環形成封閉空間,隨著葉輪的旋轉,該空間逐漸擴大,空間氣體壓力降低,氣體自圓盤吸氣口被吸入;在2BV型水環式真空泵葉輪后半轉過程中,水環內表面逐漸與輪毅靠近,葉片間的空間逐漸縮小,空間氣體壓力升高,高于排氣口壓力時,葉片間的氣體自圓盤排氣口被排出。如此葉輪每轉動一周,葉片間的空間吸排氣一次,許多空間不停地工作,2BV型水環式真空泵就連續不斷地抽吸或壓送氣體。
 |
1、水環 2、泵蓋 3、葉輪 4、吸氣口 5、排氣口
圖1 2BV型水環式真空泵及壓縮機工作原理圖 |
由于在工作過程中,做功產生熱量,會使工作水環發熱,同時一部分水和氣體一起被排走,因此,在工作過程中,必須不斷地給泵供水,以冷卻和補充泵內消耗的水,滿足2BV型水環式真空泵的工作要求。
當2BV型水環式真空泵排出的氣體不再利用時,在泵排氣口上接有氣水分離器,廢氣和所帶的部分水排入氣水分離器后,氣水分離,氣體由排氣管排出,留下的水經回水管供至泵內繼續使用。隨著工作時間的延長,工作水溫度會不斷地升高,這時需從供水管供給冷水,以降低工作水的溫度,保證2BV型水環式真空泵能達到所要求的技術要求和性能指標。當2BV型水環式真空泵作為壓縮機使用時,泵排氣口接有氣水分離器,氣水混合物進入氣水分離器后自動分離,氣體由排氣管輸送到所需系統而工作水經過分離器進入泵內。壓縮氣體時,工作水極易發熱,水由泵排氣口排出,溫度會變的較高,要由供水管不斷絕供給冷水,以補充被放走的熱水,同時起冷卻作用,使工作水溫度不致過高從而保證壓縮機性能。達到技術指標,滿足工藝要求。
 |
2BV型水環式真空泵系統示意圖
1、2BV 真空泵 2、供水管 3、逆止閥 4、吸氣管 5、氣水分離器 6、排氣管 7、溢水管 |
五、2BV型水環式真空泵結構說明
2BV型水環式真空泵的結構如圖2,圖3所示。
圖2 2BV-2060/2061/2070/2071水環泵結構圖

1、泵蓋 2、園盤 3、平鍵 4、葉輪 5、機械密封 6、泵體 7、電動機
圖3 2BV-5110/5111/5121/5131/5161水環泵結構圖

1、泵蓋 2、園盤 3、平鍵 4、葉輪 5、機械密封 6、泵體 7、電動機
泵由泵蓋、泵體、圈盤、葉輪、機械密封、電動機等零部件組成。進氣管排氣管通過安裝在泵蓋上的圓盤上的吸氣孔和排氣孔與泵腔相連,軸偏心地安裝在泵體中,葉輪用平鍵固定在軸上,泵兩端面的總間隙由泵體和圓盤之間的墊來調整,葉輪與泵蓋上的圓盤之問的間隙由圓盤和泵體之間的墊來調整,葉輪兩端面與泵蓋上圓盤之間間隙決定氣體在泵腔內由進氣口至排氣口流動中損失的大小及其極限壓力。
泵的密封采用機械密封,機械密封安裝在葉輪和泵體間。由機械密封定出葉輪與泵體之間的間隙。
在泵蓋上安裝有圓盤,圓盤上設有吸、排氣孔和柔氣排氣閥片,柔性閥片的作用是當葉輪葉片間的氣體壓力達到排氣壓力時,在排氣口以前就將氣體排出,減少了因氣體壓力過大而消耗的功率,從而降低功率消耗。
六、2BV型水環式真空泵主要技術指標:
| 產品型號 |
極限壓力
Mbar(Pa) |
最大氣量
M3/min |
功 率
KW |
轉 速
Rpm |
水耗量
L/min |
噪 聲
dB(A) |
重 量
Kg |
| 2060 |
33(3300) |
0.45 |
0.81 |
2880 |
~2 |
62 |
20 |
| 2061 |
33(3300) |
0.87 |
1.45 |
2880 |
~2 |
65 |
22 |
| 2070 |
33(3300) |
1.33 |
2.35 |
2880 |
~2.5 |
66 |
31 |
| 2071 |
33(3300) |
1.83 |
3.85 |
2880 |
~4.2 |
72 |
42 |
| 5110 |
33(3300) |
2.75 |
4 |
1450 |
~7 |
63 |
78 |
| 5111 |
33(3300) |
3.83 |
5.5 |
1450 |
~8.5 |
68 |
100 |
| 5121 |
33(3300) |
4.68 |
7.5 |
1450 |
~10 |
69 |
145 |
| 5131 |
33(3300) |
6.68 |
11 |
1450 |
~15 |
73 |
165 |
| 5161 |
33(3300) |
8.3 |
15 |
970 |
~20 |
74 |
252 |
| 6110 |
33(3300) |
2.75 |
4 |
1450 |
~7 |
63 |
107 |
| 6111 |
33(3300) |
3.83 |
5.5 |
1450 |
~8.5 |
68 |
142 |
| 6121 |
33(3300) |
4.68 |
7.5 |
1450 |
~10 |
69 |
198 |
| 6131 |
33(3300) |
6.68 |
11 |
1450 |
~15 |
73 |
238 |
| 6161 |
33(3300) |
8.3 |
15 |
970 |
~20 |
74 |
350 |
注:
1、表中所列數據在下列技術條件下測出:
① 大氣壓力101325Pa(1013mbar)
② 進水溫度15℃
③ 吸入空氣溫度20℃
④ 空氣相對濕度70%
2、表內性能允許偏差±10%
七、2BV型水環式真空泵性能曲線圖表
2BV型水環式真空泵性能曲線圖表:

八、2BV型水環式真空泵設備安裝
1、泵的安裝: 真空泵和壓縮機在安裝時,安裝面必須水平,并通過底角的孔用螺栓安裝牢固。為防止在安裝時焊渣進入真空泵,在安裝時,應在吸氣管上安裝上過濾網。
2、氣水分離器的安裝 氣水分離器可直接安裝在真空泵的排氣口上,并用螺栓固定牢固。氣水分離器有一管路與泵相連,由此供給泵工作所需水量,其余工作水由供水管供給,供水量大小由管路上的閥門調節。
真空泵,或壓縮機的進氣管上應裝有逆止閥,以便在停車時,防止真空泵或壓縮機內的水在排氣管方面的壓力作用下返回系統。
九、2BV型水環式真空泵起動及停車
長期停車開動前,須轉動風扇葉輪片,以證實2BV型水環式真空泵是否有卡住現象。
2BV型水環式真空泵起動技以下順序:
1、關閉進氣口閥門;
2、打開排氣口閥門;
3、向泵內住入少量水,以技術指標表內水耗量為參考;
4、開動電機;
5、打開進氣口閥門;
6.調整供水量,以便消耗最小量的水,保證泵的技術指標。
2BV型水環式真空泵停車順序按以下順序:
1、關閉進氣口閥門;
2、關閉電機,同時停止供水
3、放出泵體內余水。
十、2BV型水環式真空泵維護
1,為避免磨損葉輪,泵體或卡主葉輪,隨氣體和工作液進入泵腔的灰塵顆粒,可通過泵低部的沖洗口沖洗掉。
2,如果用硬水工作液,須經軟話,或在一定周期內用溶液清洗泵。 3,電動機正常工作的軸承比周圍溫度高15℃~20℃,最高不允許超過55℃~60℃,正常工作的軸承每年應裝油1-2次,每年至少清洗軸承一次,并將潤滑油全部更換。 4,采用的機械密封,出現泄漏現象,應檢查機械密封的動,靜環是否已損壞,或是密封圈已老化,如出現上述情況,均需要更換新零件。
十一、2BV型水環式真空泵的拆卸與裝配
1、2BV型水環式真空泵拆卸:
拆卸前將泵中水放出,如密封墊損壞,需更換同樣厚度的密封墊。
(1)松開泵蓋與泵體間的緊固螺絲;
(2)取下泵蓋及圓盤;
(3)松開葉輪緊固螺絲;
(4)取出葉輪;
(5)取下平鍵;
(6)松開泵體與電機法蘭緊固螺絲;
(7)取下泵體;
(8)取出擋水圈:
(9)取出機封。
2、2BV型水環式真空泵裝配:
裝配前應將零件清洗干凈,所有配合面,接觸面及螺紋處擦凈涂以潤滑油,裝配順序與拆卸順序相反。裝配時應保證圓盤與葉輪的間隙
| 型號 |
泵蓋、圓盤與葉輪端面間隙(mm) |
| 2BV2060 |
0.08~0.10 |
| 2BV2061 |
0.08~1.10 |
| 2BV2070 |
0.08~1.10 |
| 2BV2071 |
0.10~0.15 |
| 2BV5110 |
0.15~0.20 |
| 2BV5111 |
0.15~0.20 |
| 2BV5121 |
0.20~0.25 |
| 2BV5131 |
0.20~0.25 |
| 2BY5161 |
0.25~0.30 |
十二、2BV型水環式真空泵外型及安裝尺寸
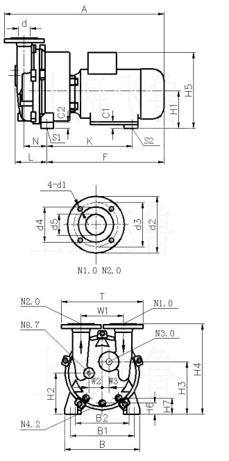
2BV2060、2BV2061、2BV2070、2BV2071外形及安裝尺寸
N1.0 吸氣口
N2.0 排氣口 |
N3.0 工作液接口
N4.2 排水口 |
N8.7 汽蝕保護接口
|
| 型號 |
A |
B |
B1 |
E |
H1 |
H2 |
H3 |
H4 |
H6 |
M |
P2 |
| 2BV2060 |
455 |
186 |
140 |
100 |
90 |
118 |
126 |
195 |
37.5 |
244 |
250 |
| 2BV2061 |
476 |
186 |
140 |
100 |
90 |
118 |
126 |
195 |
37.5 |
263 |
250 |
| 2BV2070 |
545 |
223 |
160 |
140 |
100 |
128 |
146 |
222 |
33 |
280 |
270 |
| 2BV2071 |
566 |
223 |
190 |
140 |
112 |
140 |
158 |
234 |
45 |
309 |
300 |
| 型號 |
P3 |
R |
S2 |
W1 |
W2 |
W3 |
d |
N3.0 |
N4.2 |
N8.7 |
|
| 2BV2060 |
180 |
217 |
φ10 |
110 |
25.5 |
21 |
G1" |
G3/8" |
G1/4" |
G3/8" |
|
| 2BV2061 |
180 |
236 |
φ10 |
110 |
25.5 |
21 |
G1" |
G3/8" |
G1/4" |
G3/8" |
|
| 2BV2070 |
203 |
252 |
φ12 |
110 |
33 |
27 |
G11/2" |
G3/8" |
G1/4" |
G3/8" |
|
| 2BV2071 |
225 |
278 |
φ12 |
110 |
33 |
27 |
G11/2" |
G3/8" |
G1/4" |
G3/8" |
2BV2-Ex水環真空泵外形尺寸
N1.0 吸氣口
N2.0 排氣口 |
N3.0 工作液接口
N4.2 排水口 |
N8.7 汽蝕保護接口
|
| 型號 |
A |
B1 |
B2 |
B3 |
E |
H1 |
H2 |
H3 |
H4 |
H6 |
M |
| 2BV2060-Ex |
522 |
125 |
180 |
280 |
100 |
80 |
108 |
116 |
185 |
27.5 |
282 |
| 2BV2061-Ex |
555 |
140 |
180 |
280 |
100 |
90 |
118 |
126 |
195 |
37.5 |
301 |
| 2BV2070-Ex |
634 |
160 |
180 |
305 |
140 |
100 |
128 |
146 |
222 |
33 |
317 |
| 2BV2071-Ex |
674 |
190 |
200 |
325 |
140 |
112 |
140 |
158 |
234 |
45 |
344 |
| 型號 |
P2 |
P3 |
R |
S2 |
W1 |
W2 |
W3 |
d |
N3.0 |
N4.2 |
N8.7 |
| 2BV2060-Ex |
320 |
165 |
255 |
φ10 |
110 |
25.5 |
21 |
G1" |
G3/8" |
G1/4" |
G3/8" |
| 2BV2061-Ex |
350 |
180 |
274 |
φ10 |
110 |
25.5 |
21 |
G1" |
G3/8" |
G1/4" |
G3/8" |
| 2BV2070-Ex |
400 |
205 |
289 |
φ12 |
110 |
33 |
27 |
G11/2" |
G3/8" |
G1/4" |
G3/8" |
| 2BV2071-Ex |
420 |
230 |
313 |
φ12 |
110 |
33 |
27 |
G11/2" |
G3/8" |
G1/4" |
G3/8" |
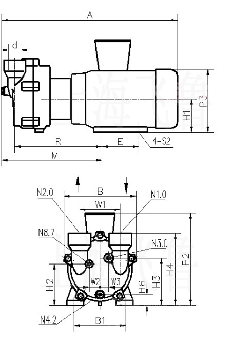
2BV5110、2BV5111、2BV5121、2BV5131、2BV5161外形及安裝尺寸

N1.0 吸氣口
N2.0 排氣口 |
N3.0 工作液接口
N4.2 排水口 |
N8.7 汽蝕保護接口
|
| 型號 |
A |
B |
B1 |
B2 |
C1 |
C2 |
H1 |
H2 |
H3 |
H4 |
H5 |
| 2BV5110 |
637 |
325 |
255 |
190 |
41 |
26 |
140 |
156 |
202 |
361 |
328 |
| 2BV5111 |
679 |
325 |
265 |
216 |
36 |
26 |
150 |
166 |
212 |
371 |
363 |
| 2BV5121 |
771 |
347 |
265 |
216 |
36 |
26 |
150 |
167 |
217 |
385 |
363 |
| 2BV5131 |
852 |
377 |
300 |
254 |
35 |
30 |
175 |
194 |
249 |
427 |
435 |
| 2BV5161 |
1044 |
479 |
370 |
279 |
30 |
30 |
210 |
225 |
303 |
521 |
485 |
| 型號 |
H6 |
H7 |
K |
L |
F |
N |
S1 |
S2 |
T |
d1 |
d2 |
| 2BV5110 |
38 |
57 |
342 |
130 |
464 |
92 |
φ12 |
φ12 |
340 |
19 |
160 |
| 2BV5111 |
48 |
68 |
348 |
130 |
500 |
92 |
φ12 |
φ12 |
340 |
19 |
160 |
| 2BV5121 |
39 |
60 |
430 |
147 |
584 |
97 |
φ12 |
φ12 |
381.5 |
19 |
182 |
| 2BV5131 |
53 |
76 |
477.5 |
147 |
658.5 |
103 |
φ15 |
φ15 |
381.5 |
19 |
182 |
| 2BV5161 |
51 |
80 |
565 |
201 |
808 |
138 |
φ15 |
φ15 |
450 |
22 |
200 |
| 型號 |
d3 |
d4 |
d5 |
W1 |
W2 |
W3 |
d |
N3.0 |
N4.2 |
N8.7 |
|
| 2BV5110 |
123 |
97 |
52 |
180 |
52 |
27 |
DN50 |
G3/4" |
G3/8" |
G3/8" |
|
| 2BV5111 |
123 |
97 |
52 |
180 |
52 |
27 |
DN50 |
G3/4" |
G3/8" |
G3/8" |
|
| 2BV5121 |
142 |
113 |
66.5 |
200 |
57 |
29 |
DN65 |
G3/4" |
G3/8" |
G3/8" |
|
| 2BV5131 |
142 |
113 |
66.5 |
200 |
57 |
29 |
DN65 |
G3/4" |
G3/8" |
G3/8" |
|
| 2BV5161 |
156 |
130 |
80 |
250 |
81 |
41 |
DN80 |
G3/4" |
G3/8" |
G3/8" |
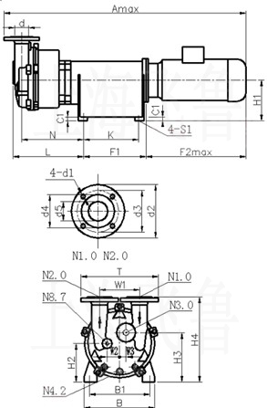
2BV6110、2BV6111、2BV6121、2BV6131、2BV6161外形及安裝尺寸
N1.0 吸氣口
N2.0 排氣口 |
N3.0 工作液接口
N4.2 排水口 |
N8.7 汽蝕保護接口
|
| 型號 |
Amax |
B |
B1 |
C1 |
F1 |
F2max |
H1 |
H2 |
H3 |
H4 |
K |
L |
N |
W1 |
| 2BV6110 |
1190 |
325 |
255 |
26 |
291 |
450 |
160 |
173 |
223 |
381 |
250 |
319 |
281 |
180 |
| 2BV6111 |
1237 |
325 |
279 |
26 |
360 |
470 |
180 |
196 |
242 |
401 |
320 |
365 |
327 |
180 |
| 2BV6121 |
1368 |
347 |
279 |
26 |
360 |
575 |
180 |
197 |
247 |
415 |
320 |
384 |
342 |
200 |
| 2BV6131 |
1495 |
377 |
320 |
26 |
461 |
585 |
215 |
234 |
287 |
467 |
414 |
405 |
357 |
200 |
| 2BV6161 |
1625 |
479 |
370 |
26 |
461 |
640 |
215 |
230 |
310 |
526 |
414 |
480 |
416 |
250 |
| 型號 |
W2 |
W3 |
S1 |
T |
d1 |
d2 |
d3 |
d4 |
d5 |
d |
N3.0 |
N4.2 |
N8.7 |
|
| 2BV6110 |
52 |
27 |
φ13 |
340 |
19 |
160 |
123 |
97 |
52 |
DN50 |
G3/4" |
G3/8" |
G3/8" |
|
| 2BV6111 |
52 |
27 |
φ13 |
340 |
19 |
160 |
123 |
97 |
52 |
DN50 |
G3/4" |
G3/8" |
G3/8" |
|
| 2BV6121 |
57 |
29 |
φ13 |
381.5 |
19 |
182 |
142 |
113 |
66.5 |
DN65 |
G3/4" |
G3/8" |
G3/8" |
|
| 2BV6131 |
57 |
29 |
φ15 |
381.5 |
19 |
182 |
142 |
113 |
66.5 |
DN65 |
G3/4" |
G3/8" |
G3/8" |
|
| 2BV6161 |
81 |
41 |
φ15 |
450 |
22 |
200 |
156 |
130 |
80 |
DN80 |
G3/4" |
G3/8" |
G3/8" |
十三、2BV型水環式真空泵的故障及消除方法
| 故障 |
原因 |
補救措施 |
| 電機不起動;無聲音 |
兩根電源線斷裂 |
檢查接線 |
| 電機不起動;有嗡嗡聲 |
一根接線斷,電機轉子堵轉葉輪故障
電機軸承故障 |
必要時排空清潔泵,修正葉輪間隙
換葉輪
換軸承 |
| 電機開動時,電流斷路器跳閘 |
繞組短路
電機過載
排氣壓力過高
工作液過多 |
檢查電機繞組
降低工作液流量
降低排氣壓力
減少工作液 |
| 消耗功率過高 |
產生沉淀 |
清潔、除掉沉淀 |
| 泵不產生真空 |
無工作液
系統泄漏嚴重
旋轉方向錯 |
檢查工作液
修復泄漏處
更換兩根導線改變旋轉方向 |
| 真空度太低 |
泵太小
工作液流量太小
工作液溫度過高
(>15℃)
磨蝕
系統輕度泄漏
密封泄漏 |
用大一點的泵
加大工作液流量
冷卻工作液,加大流量
更換零件
修復泄漏處
檢查密封 |
| 尖銳噪聲 |
產生氣蝕
工作液流量過高 |
聯接氣體蝕保護件
檢查工作液,降低流量 |
| 泵泄漏 |
密封墊壞 |
檢查所有密封面 |
相關產品推薦:
2BEA型水環式真空泵 2SY型水環式真空泵 2SK型水環式真空泵 SZ型水環式真空泵
SKF型水環式真空泵 |